Almost all newer vehicles use a Driver Information Center (DIC) to provide messages regarding vehicle operation to the driver. Sometimes, those messages can be confusing. Sometimes, those messages indicate a serious issue, and sometimes the messages indicate a low priority issue which the customer can address later.
With the continual increases in technology on today’s vehicles, we are seeing a lot more issues that do little more than confuse the customer. 2019 and later, GM products may experience an issue that indicates that the customer should shift the transmission to Park even though the customer has already placed the shifter into the Park position. This issue can occur on applications that utilize a conventional shift cable. Upon inspection, the technician will note that the transmission’s IMS/Range sensor indicates the transmission is already in Park.
GM changed the IPC operation on numerous product lines with various transmissions. For example, let’s look at a 2020 Chevrolet Silverado with a column-mounted cable-operated shifter and a 10L80 transmission.
A “shifter-mounted Park switch” is now housed internally in the transmission shift lever control assembly, which is mounted to the steering column (Figure 1).
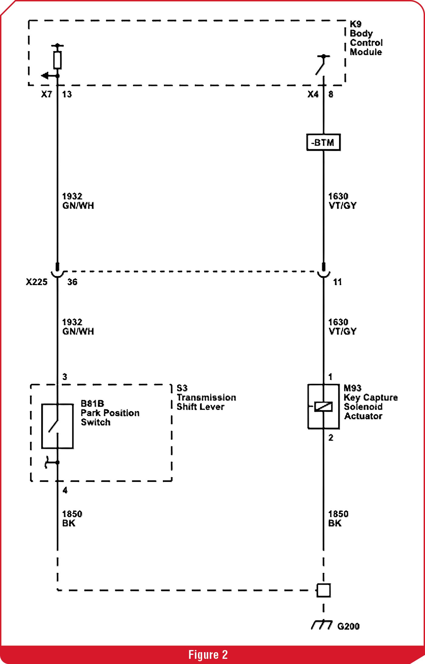
The purpose of the Park position switch is to signal the BCM when the shift lever has moved into the Park position. The BCM feeds the Park position switch 12 volts. Ground connection G200 supplies ground (Figure 2). When the shifter is moved in and out of the Park position, the switch will close, pulling the circuit to ground (BCM pin voltage low) or open the circuit (BCM pin voltage high). If the BCM believes the shifter “is not” in the Park position and the TCM/ECM signals the BCM via the transmission IMS that the transmission “is in” the Park position, the BCM will command the IPC to display a “shift to Park” message.
Since the technician is most likely monitoring TCM data, they will not see the issue and may try replacing the TCM to correct the problem. In addition, the technician may have difficulty locating information regarding the Park position switch and its wiring in the shop manual, as GM did a pretty good job hiding the information. The information is there, but you may find it difficult to locate.
Other than a faulty BCM, three issues can cause this message:
- A wiring issue between the BCM and Ground G200 (Circuits 1932 and 1850)
- The BCM connectors (X4 or X7) may not be properly seated or have a pin contact issue. Typically, this problem will also cause some DTCs to set, such as: U007B, U0100, U010, P0658, P0707, P0712, P0722, P07BF, P077C, P0960, P0964, P0966, P0968, P0970, P176C, P17CC, P2670, P2718, P2720, P2727, P2729, P2736, P2738, P2803, P2812, P2814, P281B, P281D, P2824, P2826.
NOTE: BCM connection issues may also result in a dead battery. - A faulty Park position switch which is part of the “transmission shift control lever assembly.” This is a common issue on these applications when the shift to Park message is present.
As I previously stated, GM did a good job hiding that this switch even exists. Keep in mind that the switch is an input to the BCM, so your best bet if you suspect that this could be the issue is to monitor the BCM scan data. Move the shifter in and out of Park, and you should see the switch status change. If no change occurs, inspect the three areas described above.
If the switch is faulty, you will need to disassemble part of the steering column on a column-mounted shifter application as it is bolted to the steering column. On a floor-mounted shifter application, the repair is much more straightforward.
Since this issue is becoming more and more common, you will likely see this concern entering your front door at some time in the near future. Until next time remember, “Life is like riding a bicycle. To keep your balance, you must keep moving.”







