Gears Magazine
  • Classified Ads
    • View Listings
    • Submit New Listing
  • HOME
  • Magazine
    • current issue
    • PAST ISSUES
    • Powertrain Industry News
    • Classified Ads
      • Submit New Listing
    • ABOUT US (GEARS HISTORY)
    • STAFF
    • SUBMIT AN ARTICLE
    • SEARCH ARTICLES
    • Online Buyer’s Guide
  • Subscribe
    • Subscription Info
    • Subscribe
  • BUYER’S GUIDE
  • ADVERTISE
    • MEDIA KIT
    • RATES & AD DESIGNS
    • SCHEDULES
    • ATRA ADVERTISING (FOR MEMBERS ONLY)
  • RESOURCES
    • I SAW IT AT THE SHOW
    • PRESSURE ANALYZER
    • ORIFICE CALCULATOR
    • GEAR RATIOS
    • STANDARD GEAR RATIOS
    • EVENTS
      • ATRA EVENTS
  • CONTACT US
Gears Magazine
  • Classified Ads
    • View Listings
    • Submit New Listing
  • HOME
  • Magazine
    • current issue
    • PAST ISSUES
    • Powertrain Industry News
    • Classified Ads
      • Submit New Listing
    • ABOUT US (GEARS HISTORY)
    • STAFF
    • SUBMIT AN ARTICLE
    • SEARCH ARTICLES
    • Online Buyer’s Guide
  • Subscribe
    • Subscription Info
    • Subscribe
  • BUYER’S GUIDE
  • ADVERTISE
    • MEDIA KIT
    • RATES & AD DESIGNS
    • SCHEDULES
    • ATRA ADVERTISING (FOR MEMBERS ONLY)
  • RESOURCES
    • I SAW IT AT THE SHOW
    • PRESSURE ANALYZER
    • ORIFICE CALCULATOR
    • GEAR RATIOS
    • STANDARD GEAR RATIOS
    • EVENTS
      • ATRA EVENTS
  • CONTACT US
Gears Magazine
  • Classified Ads
    • View Listings
    • Submit New Listing
  • HOME
  • Magazine
    • current issue
    • PAST ISSUES
    • Powertrain Industry News
    • Classified Ads
      • Submit New Listing
    • ABOUT US (GEARS HISTORY)
    • STAFF
    • SUBMIT AN ARTICLE
    • SEARCH ARTICLES
    • Online Buyer’s Guide
  • Subscribe
    • Subscription Info
    • Subscribe
  • BUYER’S GUIDE
  • ADVERTISE
    • MEDIA KIT
    • RATES & AD DESIGNS
    • SCHEDULES
    • ATRA ADVERTISING (FOR MEMBERS ONLY)
  • RESOURCES
    • I SAW IT AT THE SHOW
    • PRESSURE ANALYZER
    • ORIFICE CALCULATOR
    • GEAR RATIOS
    • STANDARD GEAR RATIOS
    • EVENTS
      • ATRA EVENTS
  • CONTACT US
GEARS Staff
    Share This!
  • Facebook
  • Twitter
  • Pinterest
  • LinkedIn

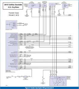
Magna_8

May 26, 2017
0 Views

Magna_8

You may also like

OntheRoad-DC_ftrd_04-18
On the Road |  April - 2018

Bypass the TIPM to Test Code P0882

March 30, 2018
David Chalker
115,779 Views
DeliveringTheGoods_ftrd_7-2020
Delivering the Goods |  July - 2020

TIPM Problems! Intermittent Fail Safe, Codes, Related Concerns and Solutions

June 30, 2020
Keith Clark
113,074 Views
AtraTech_ftrd_9-2020
Other Articles |  September - 2020

The More You Know About The 10R80… The Better Off You Are!

September 1, 2020
GEARS Staff
78,403 Views
RogerSwenson_ftrd_0120-ALT
Other Articles |  January/February - 2020

The ZF 8-Speed Transmission Fluid and Filter Change

January 16, 2020
Guest Author
63,994 Views
    Share This!
  • Facebook
  • Twitter
  • Pinterest
  • LinkedIn

More In This Category

Popular Columns

  • ATRA +A+
  • Money MattersM
  • Hi-RevM
  • What's WorkingM
  • Up Your BusinessM
  • Shop ProfileM
  • Back on the BenchT
  • Keep Those Trannys RollingT
  • Delivering the GoodsT
  • Street SmartT
  • Fun With TransmissionsT
  • Other ArticlesO
VIEW ALL

Social Media

Resources


Online Buyer's Guide
Shop Finder
Subscribe Now

Sign up for weekly news and updates!

Select list(s) to subscribe to


By submitting this form, you are consenting to receive marketing emails from: . You can revoke your consent to receive emails at any time by using the SafeUnsubscribe® link, found at the bottom of every email. Emails are serviced by Constant Contact
Buyer's Guide

ATRA Access


ATRA
Members
Gears Magazine
Powertrain Expo
Cart
Account

Copyright 2025 © GEARS Magazine. All Rights Reserved. Reproduction in whole or in part without permission is prohibited. Legal/Privacy
  • Facebook
  • Twitter
  • YouTube
  • Instagram